13 августа 2023 /
0 комментариев
/
233 просмотра
Цилиндрическая передача – это механизм преобразующий движение или усилие от одного элемента на другой посредством цилиндрических деталей. Она состоит из цилиндрического зубчатого колеса и шестерни, которая передаёт вращение с одного вала на другой.

1
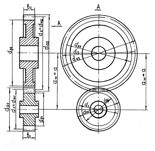
Передача цилиндрическая зубчатая чертеж и спецификация

2
Зубчатое колесо -1.001.008 чертеж

3

4
Зубчатая цилиндрическая прямозубая передача чертеж

5
Колесо нетормозное к329а чертеж

6
Инженерная Графика зубчатое колесо чертеж

7
Зацепление внешнее коническими зубчатыми колесами чертеж

8
Цилиндрическая зубчатая передача чертеж

9
Зубчатое колесо Начертательная геометрия

10
Чертеж зубчатого колеса н3118

11
Шестерня цилиндрическая m8 z=20 чертеж

12
Зубчатая передача чертеж с размерами

13

14

15
Колесо крановое 320х80 чертеж

16

17
Цилиндрическое прямозубое колесо чертеж

18
Зубчатое шлицевое соединение чертеж

19

20
Цилиндрическая зубчатая передача чертеж с размерами

21
Цилиндрическая передача зацепление чертеж

22
Длина ступицы зубчатого колеса

23
Венец червячного колеса чертеж

24

25

26

27
Цилиндрическая косозубая передача чертеж

28
Элементы и параметры зубчатых колес

29
Конструкции цилиндрических зубчатых колес

30
Цилиндрическая косозубая передача чертеж

31

32

33

34
Параметры прямозубого цилиндрического колеса

35
Чертеж червячного колеса наружный диаметр ф50

36
Схема прессового соединения

37
Крестовидная направляющая нагнетательного клапана
.jpg)
38
Зубчатая резьба t-Flex

39
Шевронная передача зацепление Новикова

40
Шестерня поворота 800.35.30.06

41

42
Конический редуктор к-400 чертеж компас

43

44
Цилиндрическая прямозубая передача чертеж

45

46

47

48

49
Шестерня осевая чертеж 5.35.10.002

50
Косозубая шестерня модуль 2 чертеж

51

52
Диск обод ступица зубчатого колеса

53

54
Чертеж литого зубчатого колеса

55

56
Цементация зубчатых колес на чертеже

57
Чертёж червячной шестерни 1к62

58
Типы зацепления зубчатых колес

59
Коническая косозубая передача схема

60
Зубчатая передача чертеж с размерами

61
Чертеж червячного колеса наружный диаметр ф50

62
Диаметр ступицы зубчатого колеса формула

63
Зубчатая передача цилиндрические конические таблица

64
Чертеж шестерня с внутренними шлицами

65

66
Червячная передача с однозаходным червяком схема

67
Компоновка червячного редуктора

68
Вертикальный редуктор чертеж двухступенчатый

69
Зубчатая цилиндрическая косозубая передача схема

70
Зубчатое зацепление а2 чертеж т60

71

72
Элементы и параметры зубчатых колес

73
Шевронное зубчатое колесо чертеж

74
Чертеж прямозубого конического зубчатого колеса

75
Блок шестерня 242158 чертежи

76
Чертеж зубчатого колеса модуль 20

77
Зубчатая цилиндрическая прямозубая передача схема

78
Зубчатое колесо компас 3d чертеж

79
Редуктор двухступенчатый цилиндрический с шевронными колесами

80

81
Планетарный трехступенчатый редуктор ГМП- 300

82
Косозубая шестерня гайка станок СЗС 1516

83
Цилиндрическая зубчатая передача

84
Цилиндрическая прямозубая передача с внешним зацеплением

85

86
Зубчатое зацепление чертеж ТММ

87
Зубчатая цилиндрическая шевронная передача чертеж

88
Цилиндрическая зубчатая передача схема

89
Сектор червячного колеса 120 зубьев

90
Зубчатое колесо червячное чертеж компас 3d

91
Зубчатые колеса ЯМЗ 651 зацепление

92
Шестерня коническая 5.35.27.045 чертежи

93
Редуктор цилиндрический одноступенчатый вертикальный чертеж
94
Ширина венца зубчатого колеса

95

96
Вертикальный цилиндрический редуктор спецификация

97
Первый этап компоновки червячного редуктора

98
Оправка цилиндрическая для токарного станка чертеж

99
Конструирование зубчатых колес

100
Чертеж корпуса червячного редуктора 02.006.001

101
Шестеренка чертеж

102
Делительный конус конического зубчатого колеса

103
Цилиндрическая прямозубая передача чертеж внутреннего зацепления

104
Зубчатое зацепление чертеж ТММ

105
Шкив токарного станка 16к20 чертеж

106
Редуктор цилиндрический в311а

107
Червячный фрез модуль12

108
Зубчатое колесо редуктора чертеж

109
Зубчатое колесо коническое ГОСТ 2.405

110
Шевронное зубчатое колесо чертеж
Особенности цилиндрической передачи
Цилиндрическая передача отличается высокой эффективностью и надёжностью. Она способна передавать большие крутящие моменты и обеспечивать плавность работы. Кроме того, цилиндрическая передача обладает компактными размерами и может быть использована в различных отраслях промышленности.